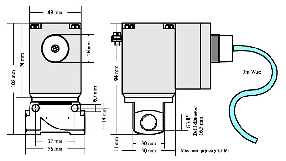
Proportioneel ventiel, nom.diameter 2mm, 230V

Interne referentie: SVP.2-230VAC

https://www.ysebaert.be/web/image/product.template/5700/image_1920?unique=ef5fedb

Deze combinatie bestaat niet.

Classificaties
  • Ex II 2 G Ex mb IIC T4 Gb
  • Ex II 2 D Ex mb IIIC T130°C Db
Zones
0
1
2
20
21
22
Type Exp accessoires

Ventiel

Versie

Proportioneel

Spanning

230VAC

Stroom


Nozzle

2mm (<50l)

Merk

Gönnheimer

Certificaat

EPS16ATEX1121X