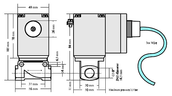
Vanne proportionnelle, Nom. diameter 8mm, 24VDC, 9W

Internal reference: SVP.12-A60

https://www.ysebaert.be/web/image/product.template/5698/image_1920?unique=ef5fedb

Pas disponible à la vente

Cette combinaison n'existe pas.

Classifications
  • Ex II 2 G Ex mb IIC T4 Gb
  • Ex II 2 D Ex mb IIIC T130°C Db
Zones
0
1
2
20
21
22
Type d'accessoires Exp

Vanne

Version

Proportionelle

Tension

24VDC

Courant


Nozzle

8mm

Marque

Gönnheimer

Certificat

EPS18ATEX1232X