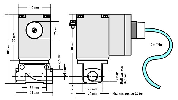
Proportioneel ventiel, nom.diameter 8mm, 24VDC,9W

Interne referentie: SVP.12-A60

https://www.ysebaert.be/web/image/product.template/5698/image_1920?unique=c04bf2b

Not Available For Sale

Deze combinatie bestaat niet.

Classificaties
  • Ex II 2 G Ex mb IIC T4 Gb
  • Ex II 2 D Ex mb IIIC T130°C Db
Zones
0
1
2
20
21
22
Type Exp accessoires

Ventiel

Versie

Proportioneel

Spanning

24VDC

Stroom


Nozzle

8mm

Merk

Gönnheimer

Certificaat

EPS18ATEX1232X