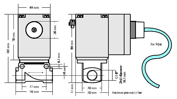
Proportional valve, enclosure < 300l
Internal reference: SVP.3-230VAC
- Ex II 2 G Ex mb IIC T4 Gb
- Ex II 2 D Ex mb IIIC T130°C Db
Type of Exp accessories
Valve
Version
Proportional
Voltage
230VAC
Current
Nozzle
Brand
Gönnheimer
Certificate
EPS15ATEX1073X