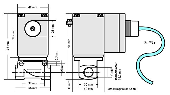
Vanne proportionnelle, Nom. diameter 2mm, 230V

Internal reference: SVP.2-230VAC

https://www.ysebaert.be/web/image/product.template/5700/image_1920?unique=c53e277

Pas disponible à la vente

Cette combinaison n'existe pas.

Classifications
  • Ex II 2 G Ex mb IIC T4 Gb
  • Ex II 2 D Ex mb IIIC T130°C Db
Zones
0
1
2
20
21
22
Type d'accessoires Exp

Vanne

Version

Proportionelle

Tension

230VAC

Courant


Nozzle

2mm (<50l)

Marque

Gönnheimer

Certificat

EPS16ATEX1121X