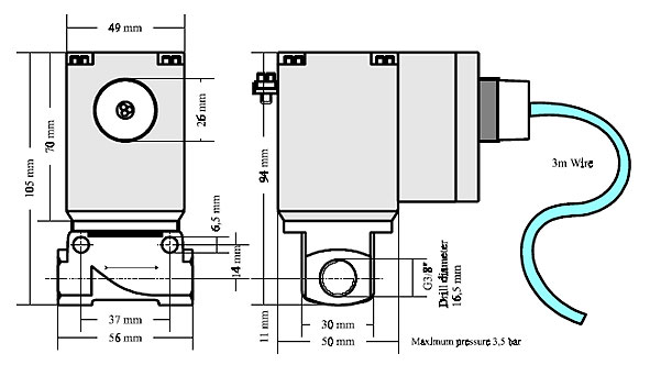
Vanne proportionnelle, enveloppe > 300l

Internal reference: SVP.5-230VAC

https://www.ysebaert.be/web/image/product.template/5709/image_1920?unique=c53e277

Pas disponible à la vente

Cette combinaison n'existe pas.

Classifications
  • Ex II 2 G Ex mb IIC T4 Gb
  • Ex II 2 D Ex mb IIIC T130°C Db
Zones
0
1
2
20
21
22
Type d'accessoires Exp

Vanne

Version

Proportionelle

Tension

230VAC

Courant


Nozzle


Marque

Gönnheimer

Certificat

EPS15ATEX1073X