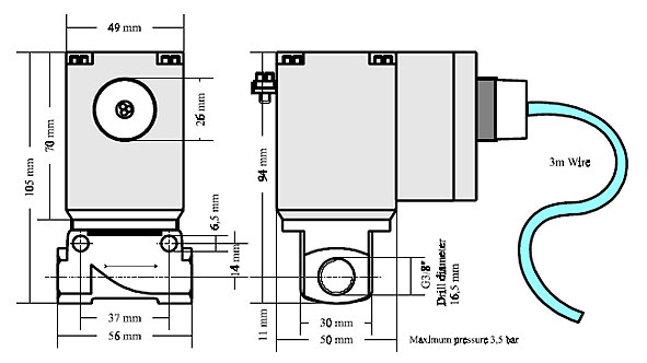
Proportional valve, enclosure < 300l

Internal reference: SVP.3-120VAC

https://www.ysebaert.be/web/image/product.template/5703/image_1920?unique=c53e277

Not Available For Sale

This combination does not exist.

Classifications
  • Ex II 2 G Ex mb IIC T4 Gb
  • Ex II 2 D Ex mb IIIC T130°C Db
Zones
0
1
2
20
21
22
Type of Exp accessories

Valve

Version

Proportional

Voltage

120VAC

Current


Nozzle


Brand

Gönnheimer

Certificate

EPS15ATEX1073X